• Sign in
  • Sign up 
  • Welcome
  • FAQ
  • Switch to Night Mode
  • Stolen Accounts Recovery 
  • Change Account Password 
  • Vote for Witnesses 
  • Steem Proposals 
  • Third-party exchanges:
  • Poloniex 
  • Advertise 
  • Jobs at Steemit 
  • Developer Portal 
  • Steem Bluepaper 
  • SMT Whitepaper 
  • Steem Whitepaper 
  • Privacy Policy
  • Terms of Service
Home
EN▾
LoginSign up

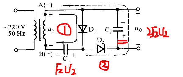
倍压整流电路

lucienyoung (40)in #life • 7 years ago (edited)


几点说明

  1. 正半周对C1进行充电;
  2. 负半周对C2进行充电。
#cn #cn-stem #electronicscircuit #dcpower
7 years ago in #life by lucienyoung (40)
$0.00
    1 vote
    • + ienzi
    Reply 0